
|
型号
|
结构形式
|
精度等级
|
测量范围MPa
|
备注
|
|
Y-40
Y-40Z |
径向无边
轴向无边 |
2.5
|
0~0.1;0~0.16;0~0.25;0~0.4;
0~0.6;0~1.0;0~1.6;0~2.5; 0~4.0;0~6.0;0~10;0~16; 0~25;0~40 |
HD-YZ表示压力真空表 HD-Z表示真空表 HD-Y表示一般压力表 HD-YB表示精密压力表 压力表又称一般压力表和弹簧管式压力表,精密压力表又称标准压力表。压力真空表包括负压与正压量程范围指示,轴向压力表φ60型订货时请注明接头螺纹M10×1或M14×1.5。 特殊轴向压力表可根据用户要求定制 |
|
Y-60
Y-60Z Y-60T Y-60ZT |
径向无边
轴向无边 径向带后边 轴向带前边 |
|||
|
Y-100
Y-100Z Y-100T Y-100ZT |
径向无边
轴向无边 径向带后边 轴向带前边 |
1.6
|
0~0.1;0~0.16;0~0.25;0~0.4;
0~0.6;0~1.0;0~1.6;0~2.5; 0~4.0;0~6.0;0~10;0~16;25; 0~40;0~60;0~100 |
|
|
Y-150
Y-150Z Y-150T Y-150ZT |
径向无边
轴向无边 径向带后边 轴向带前边 |
|||
|
Y-200
Y-250 |
径向无边
径向无边 |
0~0.6;0~1.0;0~1.6;0~2.5;
0~4.0;0~6.0 |
||
|
Z-40
YZ-40 |
径向无边
径向无边 |
2.5
|
-0.1~0;-0.1~0.06;-0.1~0.15;
-0.1~0.3;-0.1~0.5;-0.1~0.9; -0.1~1.5;-0.1~2.4 |
|
|
Z-50
YZ-50 |
径向无边
径向无边 |
|||
|
Z-60
YZ-60 YZ-60Z Z-60ZT |
径向无边
径向无边 轴向无边 轴向带前边 |
|||
|
Z-100
YZ-100 YZ-100Z Z-100ZT |
径向无边
径向无边 轴向无边 轴向带前边 |
1.6
|
||
|
Z-150
YZ-150 YZ-150Z Z-150ZT |
径向无边
径向无边 轴向无边 轴向带前边 |
|||
|
Z-200
|
径向无边
|
![]() Y-60Z |
![]() Y-60 |
![]() Y-40Z |
![]() Y-40 |
![]() YZ-100 |
![]() Y-150ZT |
![]() Z-100 |
![]() Y-100 |
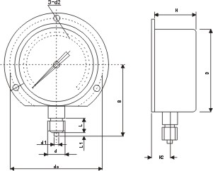
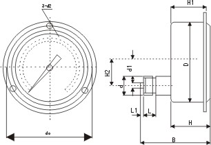
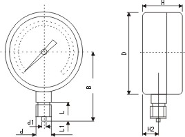
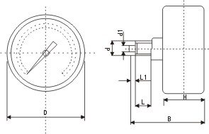
外形尺寸
![]() Y-40、60、100、150、200、250 |
![]() Y-40、60、100、150Z |
![]() Y-60T、100T、150T |
![]() Y-60ZT、100ZT、150ZT |
|
单位:mm
|
| 型号 | D | d | d1 | L | d0 | B | H | d2 | H1 | H2 | L1 |
| Y40 | Φ40 | M10×1 | Φ2.5 | 10 | 38 | 24 | 8.5 | 2 | |||
| Y40Z | 40 | 24 | 0 | ||||||||
| Y60 | Φ60 | M14×1.5或M10×1 | Φ5 | 14 | 56 | 30 | 12 | ||||
| Y60Z | 58 | 30 | 0 | ||||||||
| Y60T | 72 | 56 | 30 | Φ4.5 | 13 | ||||||
| Y60ZT | 53 | 30 | Φ4.5 | 24 | 0 | ||||||
| Y100 | Φ100 | M20×1.5 | Φ6 | 20 | 90 | 44 | 18 | ||||
| Y100Z | 85 | 44 | 30 | ||||||||
| Y100T | 118 | 90 | 45 | Φ5.5 | 18 | ||||||
| Y100ZT | 85 | 44 | Φ5.5 | 39 | 30 | ||||||
| Y150 | Φ150 | 115 | 48 | 18 | |||||||
| Y150Z | 92 | 47 | 30 | ||||||||
| Y150T | 165 | 115 | 48 | Φ5.5 | 18 | ||||||
| Y150ZT | 92 | 47 | Φ5.5 | 41 | 30 | ||||||
| Y200 | Φ200 | 146 | 50 | 18 | |||||||
| Y250 | Φ250 | 167 | 50 | 18 |
|
名称
|
型号
|
测量范围(MPa)
|
精度
|
触点熔点
|
|
电接点压力表
|
Yxc-100
|
0~0.1;0~0.16;0~0.25;0~0.4;0~0.6;
0~1;0~1.6;0~2.5;0~4;0~6;0~10;0~16;0~25;0~40;0~60 |
1.5
|
380VX1A
|
|
Yxc-150
|
||||
|
电接点压力真空表
|
Yzxc-100
|
-0.1~0.3;-0.1~0.5;-0.1~0.9;
-0.1~1.6;-0.1~2.5 |
1.5
|
380VX1A
|
手 机:13337963090
固定电话:0517-86500336 86500226
邮 箱:jshdyb@163.com
公司地址:江苏省金湖县工业园区
ICP备案号:苏ICP备10202569号-9