
|
型号
|
结构形式
|
精确度 %
|
测量范围 MPa
|
|
HD-60B-Z
|
径向无边
|
±2.5
|
-0.1~0; -0.1~0.06; -0.1~0.15; -0.1~0.3; -0.1~0.5;
-0.1~0.9; -0.1~1.5; -0.1~2.4; 0~0.1; 0~0.16; 0~0.25; 0~0.4; 0~0.6; 0~1.0; 0~1.6; 0~2.5; 0~4; 0~6; 0~10; 0~16; 0~25; 0~40; 0~60; 0~100; |
|
HD-60ZB-Z
|
轴向无边
|
||
|
HD-100B
HD-100B-Z
|
径向无边
|
±1.6
|
|
|
HD-150B
HD-150B-Z
|

|
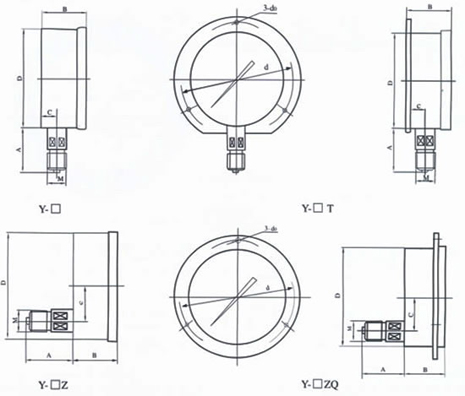
型号
|
外形尺寸 mm
|
||||
|
A
|
B
|
C
|
D
|
M
|
|
|
HD-60B-Z
|
30
|
31
|
9
|
60
|
14X1.5
|
|
HD-60ZB-Z
|
/
|
||||
|
HD-100B
|
40
|
46
|
18
|
98
|
20X1.5
|
|
HD-100B-Z
|
|||||
|
HD-150B
|
36
|
19
|
149
|
||
|
HD-150B-Z
|
|||||
手 机:13337963090
固定电话:0517-86500336 86500226
邮 箱:jshdyb@163.com
公司地址:江苏省金湖县工业园区
ICP备案号:苏ICP备10202569号-9