

|
输出信号:4~20MA.DC二线制(模拟)
二线制4~20mA直流信号上叠加数字信号,由用户选择线性或开方输出。(智能) 供电电源:12~45V.DC(详见负载特性图) 负载特性: 电源影响:<0.005%输出量程/V 负载影响:电源稳定时,无负载影响。 测量精度:调校量程的±0.1%,±0.2 (标配精度为±0.2%,若选择其他精度请在订货选型时注明。) 量 程 比:10:1或100比1 |
![]() |
|
阻 尼:通常可在0.1~16秒之间可调,当灌充惰性液或带远传装置时,时间常数会增大。
启动时间:<2秒,不需预热 工作环境:环境温度 -29~93℃(模拟放大器) -29~75℃(数字/智能放大器) -29~65℃(带显示表头) 环境湿度 0~95% 防护特性:防护能力 IP65 防爆类型:隔爆型 Exd II BT4-6 本安型 Exia II CT5 静压影响:零位误差:±0.5%最大量程限值,对于32MPa在管道压力下通过调零给予校正。 电磁辐射影响:0.05%最大量程值,接受辐射频率27~500MHz,试验场强3V/m。 指示表(%):液晶数显 精度±0.2% 振动影响:任何方向200Hz振动时,±0.05%/g。 安装位置:膜片未垂直安装,可能产生小于0.24KPa的零点误差,但可通过调零来修正。 重 量:3.9Kg(不包括附件) 注:① 远传差压变送器的静压还取决于选定法兰的规格。
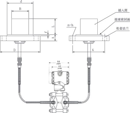
② 远传装置的工作温度,由所选择的灌充液种类确定。 ③ 远传差压变送器的介质温度影响是指两侧的远传装置由室温开始同时受到相同的温度作用,所产生的输出变化。 ④ 静压和温度影响,均是在最大量程时测得。 ⑤ DP型远传差压变送器两侧的毛细管最大长度为7.5米,两侧长度差为4.5米。 平法兰(RFW)远传差压变送器
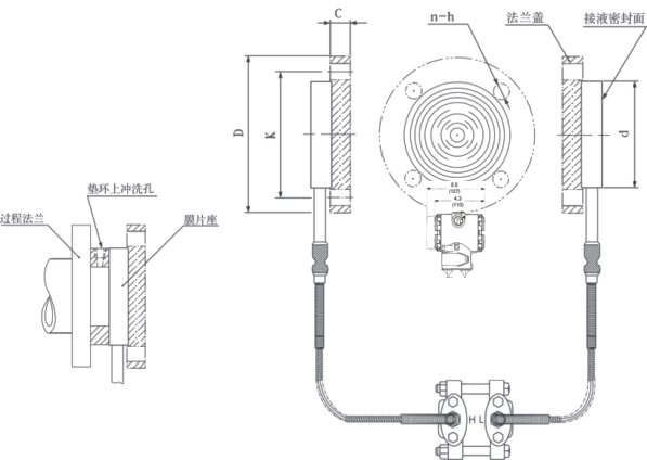
![]() 凸法兰式(EFW)远传差压变送器
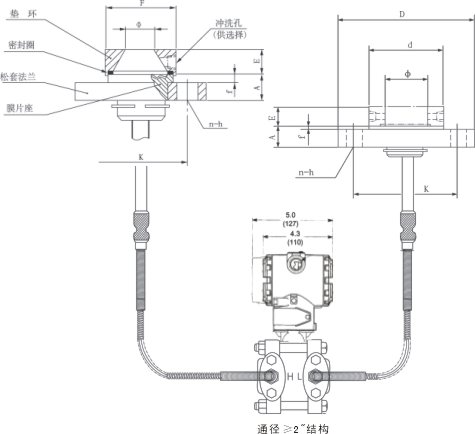
![]() 扁平式(PFW)远传差压变送器
![]() |
|
|
法兰规格
|
法兰尺寸
|
垫 环
|
安装尺寸
|
插入筒
|
||||||||||
|
代号
|
通径
|
压力
等级 |
外径
D |
凸径
d |
凸高
f |
厚度
|
直径
F |
孔径
φ |
分布圆
K |
孔数
n |
直径
h |
直径
B |
凸出长度
L |
|
|
A
|
E
|
|||||||||||||
|
0A1
|
1"
|
150Lb
|
108
|
___
|
5.5
|
20
|
24
|
66.5
|
27
|
79.4
|
4
|
15
|
___
|
___
|
|
0A3
|
300Lb
|
124
|
23
|
88.9
|
19
|
|||||||||
|
0A6
|
600Lb
|
|||||||||||||
|
1A1
|
11/2"
|
150Lb
|
127
|
79
|
42
|
98.4
|
15
|
|||||||
|
1A3
|
300Lb
|
156
|
26
|
114.3
|
23
|
|||||||||
|
1A6
|
600Lb
|
28
|
||||||||||||
|
2A1
|
2"
|
150Lb
|
152
|
92
|
23
|
92
|
52
|
120.6
|
19
|
暂供
60 |
50 (2")
100(4") 150(6") |
|||
|
2A3
|
300Lb
|
165
|
26
|
127
|
8
|
|||||||||
|
2A6
|
600Lb
|
31
|
||||||||||||
|
3A1
|
3"
|
150Lb
|
191
|
127
|
27.5
|
127
|
79
|
152.4
|
4
|
19
|
77
|
|||
|
3A3
|
300Lb
|
210
|
32.5
|
168.3
|
8
|
23
|
||||||||
|
3A6
|
600Lb
|
37.5
|
||||||||||||
|
4A1
|
4"
|
150Lb
|
229
|
157
|
28
|
157
|
103
|
190.5
|
19
|
95
|
||||
|
4A3
|
300Lb
|
254
|
33.5
|
200
|
23
|
|||||||||
|
4A6
|
600Lb
|
273
|
43.5
|
216
|
25
|
|||||||||


|
代号 测量范围 (KPa)
|
|||
|
3
4 5 6 7 8 |
0 - 1.3
0 - 6.2 0 - 31.1 0 - 117 0 - 345 0 - 1170 |
~ 7.5
~ 37.4 ~ 186.8 ~ 689.5 ~ 2068 ~ 6895 |
注:1、选用量程代号3时,必须配用通径为4"法兰。
2、远传装置PFW、EFW、RTW、SSW可选量程代号3、4、5、6。 3、远传装置RFW可选量程代号7、8。 |
|
代号 输出形式
|
|
|
SF
S |
4~20mA.DC 数字放大器,兼有开方输出,并带4位数字显示
4~20mA.DC 智能放大器,并采用HART协议通讯 |
|
代号 容室和接头材质 隔离膜片材质
|
|
|
12 碳钢 316钢
22 316钢 316钢 |
注:一般选用代号12,在潮湿和腐蚀场合时选代号22。
|
|
|||||||||||||||||||||||||||||||||||||||||||||||||||||||||||||||||||||||||||||||||||
|
|||||||||||||||||||||||||||||||||||||||||||||||||||||||||||||||||||||||||||||||||||
手 机:13337963090
固定电话:0517-86500336 86500226
邮 箱:jshdyb@163.com
公司地址:江苏省金湖县工业园区
ICP备案号:苏ICP备10202569号-9