

|
型号
|
结构形式
|
精确度%
|
测量范围 MPa
|
|
HD-YN-50Z
|
轴向无边
|
±2.5
|
0~0.16;0~0.25;0~0.4;0~0.6;0~1.0
0~1.6;0~2.5;0~4;0~6;0~10; 0~16;0~25;0~40;0~60 |
|
HD-YN-60
HD-YN-60T HD-YN-60Z HD-YN-60ZQ |
径向无边
径向带后边 轴向无边 轴向带前边 |
||
|
HD-YN-100
HD-YN-100T HD-YN-100Z HD-YN-100ZQ |
径向无边
径向带后边 轴向无边 轴向带前边 |
±1.6
|
-0.1~0;-0.1~0.06;-0.1~0.15;
-0.1~0.3;-0.1~0.5;-0.1~0.9 -0.1~1.5;-0.1~2.4; 0~0.16;0~0.25;0~0.4;0~0.6;0~1.0;0~1.6 0~2.5;0~4.0;0~6.0;0~10;0~16 0~25;0~40;0~60 |
|
HD-YN-150
HD-YN-150T HD-YN-150Z HD-YN-150ZQ |
径向无边
径向带后边 轴向无边 轴向带前边 |
||
|
注:轴向可按要求带方形前边。
|
|||

|
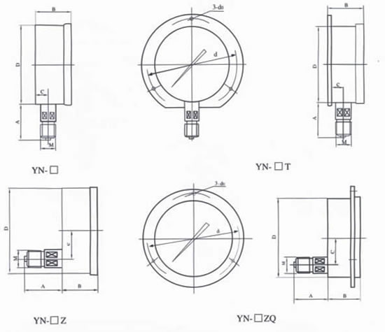
型号
|
外形尺寸 mm
|
||||||
|
A
|
B
|
C
|
D
|
d
|
d0
|
M
|
|
|
HD-50Z
|
29
|
24
|
0
|
50
|
/
|
/
|
14X1.5
|
|
HD-60
|
31
|
32
|
14
|
60
|
/
|
/
|
|
|
HD-60T
|
31
|
32
|
15
|
75
|
3.4
|
||
|
HD-60Z
|
30
|
32
|
0
|
/
|
/
|
||
|
HD-60ZQ
|
30
|
32
|
0
|
75
|
3.4
|
||
|
HD-100
|
44
|
45
|
18
|
100
|
/
|
/
|
20X1.5
|
|
HD-100T
|
44
|
46
|
19
|
118
|
5.5
|
||
|
HD-100Z
|
43
|
45
|
34
|
/
|
/
|
||
|
HD-100ZQ
|
43
|
45
|
44
|
118
|
5.5
|
||
|
HD-150
|
50
|
47
|
19
|
149
|
/
|
/
|
20X1.5
|
|
HD-150T
|
50
|
48
|
20
|
165
|
5.5
|
||
|
HD-150Z
|
51
|
47
|
55
|
/
|
/
|
||
|
HD-150ZQ
|
51
|
47
|
55
|
165
|
5.5
|
||
|
注:连接螺纹可按要求订货
|
|||||||
手 机:13337963090
固定电话:0517-86500336 86500226
邮 箱:jshdyb@163.com
公司地址:江苏省金湖县工业园区
ICP备案号:苏ICP备10202569号-9